전자도로/전자도시

HT MINI 카세트 후방 허브 모터

HT MINI 8-10단 카세트 허브 모터는 e-city 및 로드바이크용으로 설계되어 시중에서 가장 작은 외부 로터 허브 모터 중 하나입니다. 무게가 1.95kg에 불과한 작고 가벼운 디자인이 특징이며 정격 출력은 220W, 토크는 30Nm 이상이며 토크 센서 카세트를 사용할 수 있습니다. 모터는 40Nm의 스톨 토크로 최대 250W에 도달할 수 있습니다. 외부 로터 설계로 누적 오류를 줄여 내구성과 안정성을 높였습니다.

주요 매개변수
모터 구조: 정격 전압(V): 정격 출력(W):
아웃러너 허브 모터 36-48 180-250
피크 토크(N.m.): 무게(KG): 이전 (mm):
40 2.18(220w) 142
상세정보
  • HT MINI 카세트 후방 허브 모터
  • HT MINI 카세트 후방 허브 모터
닝보 인저우 HENTACH Electromechanical Co., Ltd. Product Parameters 닝보 인저우 HENTACH Electromechanical Co., Ltd. Drawing 닝보 인저우 HENTACH Electromechanical Co., Ltd. Contact Us

핵심 데이터

정격 출력 180-250
정격전압 36-48
휠 직경 20-28
속도 범위 25-38
최대 토크 40
기어비 5
무게(KG) 2.18(220와트)

설치 매개변수

브레이크 디스크 브레이크
토크 센서 카세트
케이블링 경로 차축 중앙 오른쪽
스포크 홀 2-18-Ф3.2
방수등급 IP54(최대 IP65)
플라이휠/스프라켓 휠 KAFI 7-10 속도
인증서 TUV/EN15194/RoHS

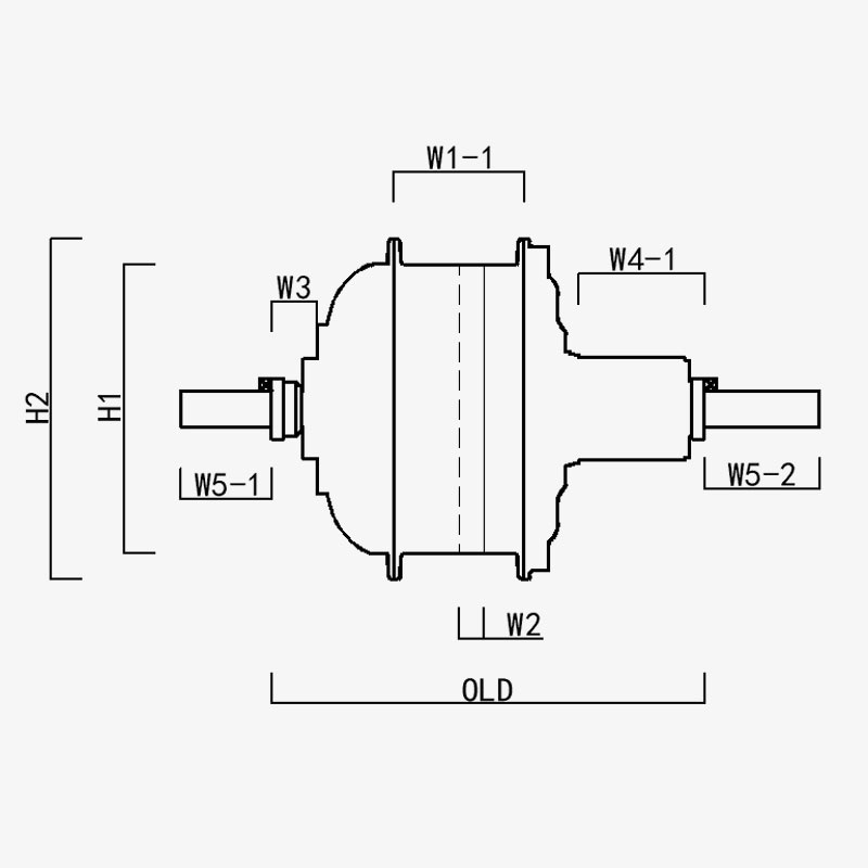
H1/OD: 95.5
H2/모터 OD: 112.5
W1(-1/-2): 43
W2: 8
W3: 15
W4(-1/-2): 42.5
W5(-1/-2): 30/39
이전: 142
차축 길이: 211
닝보 인저우 HENTACH Electromechanical Co., Ltd.
저희에게 연락주세요
  • 제출 및 보내기
닝보 인저우 HENTACH Electromechanical Co., Ltd.
우리를 차별화시키는 요소
  • 모터는 외경 95mm, 10단 카세트 플라이휠, 무게 2.15kg, 초경량 외부 로터 모터, 최대 40NM의 실속 토크를 갖췄습니다. 전기자전거 파트너입니다.

  • 특허받은 플라스틱 강철 기어: 나일론 기어 토크의 5배; 수명이 40,000km 이상; 낮은 판매 후

  • 외부 로터 모터: 내부 로터보다 안정적인 구조, 낮은 고장률

우리는 누구인가 이상 20년 생산 경험의.

닝보 인저우 HENTACH Electromechanical Co., Ltd. (이전 Hengtai Motor) 1995년에 설립되었으며 이전에는 "Hengtai Motor"(당사 중국 이름)로 알려졌던 당사는 2020년에 공식적으로 영어 이름 "HENTACH Motor"를 채택했습니다. 두 이름 모두 30년 이상 전기 기계 혁신에 전념해 온 신뢰할 수 있는 동일한 제조업체를 나타냅니다. 소형 DC 모터, 전기/오토바이 허브 모터, 전기 자동차용 알루미늄-마그네슘 합금의 주조 및 정밀 가공을 전문으로 하는 당사는 엄격한 ISO 9001 품질 관리 시스템, 성숙한 관리 관행, 최첨단 제조/테스트 장비를 결합하여 신뢰할 수 있는 솔루션을 제공합니다.

With end-to-end capabilities spanning from raw material casting to final product delivery, we serve diverse markets including e-bikes, cargo vehicles, AGVs, golf cars, agricultural machinery, and e-karting. Our 9,000+㎡ campus (5,000㎡ built area) houses over 60 units of advanced production equipment, including 500-ton die-casting machines, precision CNC machine tools, laser marking systems, micro-arc oxidation lines, and two dedicated electric vehicle motor test benches. This infrastructure ensures efficient production and strict compliance with international quality standards.

HENTACH(Hengtai)에서는 고품질 소재와 독점 기술을 우선시합니다. 특허받은 나일론 강철 기어는 엔지니어링 우수성을 입증합니다. 내구성을 검증하기 위해 우리는 30,000마일을 초과하는 모터에 대한 마일리지 보증 프로그램을 시작한 적이 있습니다. 결과는? 50개가 넘는 모터가 이 기준을 충족했을 뿐만 아니라 이를 능가했으며 일부 모터는 인상적인 50,000마일에 도달했습니다. 이러한 실제 성능은 신뢰성에 대한 당사의 확고한 초점을 반영하며 당사가 더욱 스마트하고 강력한 모터 솔루션을 위해 지속적으로 혁신하도록 동기를 부여합니다.​
특허받은 강철 기어 혁신과 검증된 내구성이 결합된 Hengtai Motor와 HENTACH Motor로 전 세계적으로 알려진 브랜드를 신뢰하십시오.

인증자 인증