eMTB / E-카고

E-Type Pro RF750 후면 허브 모터

E-Type Pro RF750 후방 허브 모터는 E-Cargo 및 E-MTB 자전거용으로 설계되었으며 프리휠의 7단 나사산 및 135mm OLD와 호환됩니다. 정격 출력은 750W이며 토크는 85Nm 이상이므로 높은 부하와 복잡한 지형을 쉽게 처리할 수 있습니다. 특허 받은 플라스틱 강철 기어가 장착된 모터는 나일론 기어보다 5배 더 큰 토크 용량을 제공하여 40,000km 이상 지속되며 유지 관리 비용을 크게 절감합니다. 가파른 언덕, 울퉁불퉁한 산책로, 무거운 화물 운송 등 어디에서나 뛰어난 등반 능력과 즉각적인 가속력을 제공합니다.

주요 매개변수
모터 구조: 정격 전압(V): 정격 출력(W):
후방 구동 허브 모터 36-48 350-750
피크 토크(N.m.): 무게(KG): 이전 (mm):
85 5.5 137
상세정보
  • E-Type Pro RF750 후면 허브 모터
  • E-Type Pro RF750 후면 허브 모터
닝보 인저우 HENTACH Electromechanical Co., Ltd. Product Parameters 닝보 인저우 HENTACH Electromechanical Co., Ltd. Drawing 닝보 인저우 HENTACH Electromechanical Co., Ltd. Contact Us

핵심 데이터

정격 출력 350-750
정격전압 36-48
휠 직경 20-28
속도 범위 25-38
최대 토크 85
기어비 5.27
무게(KG) 5.5

설치 매개변수

브레이크 디스크 브레이크
토크 센서 카세트 아니요
케이블링 경로 차축측 좌측
스포크 홀 2-18-Ф3.2
방수등급 IP54(최대 IP65)
플라이휠/스프라켓 휠 로터리 7단
인증서 TUV/EN15194/RoHS

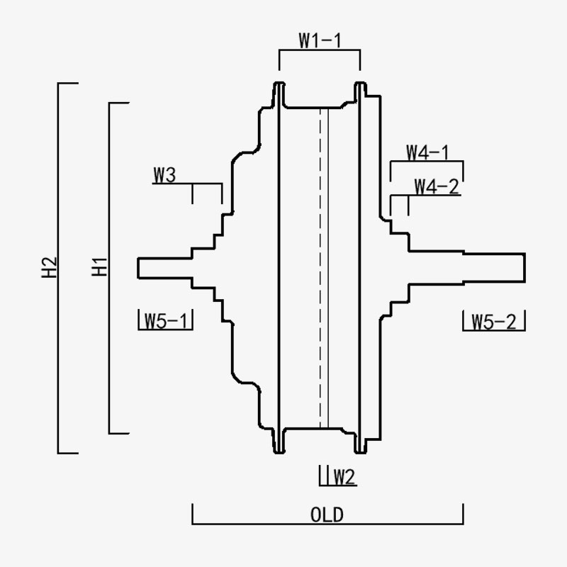
H1/OD: 167
H2/모터 OD: 187
W1(-1/-2): 40.8
W2: 4.15
W3: 15.2
W4(-1/-2): 9월 37일
W5(-1/-2): 27/31
이전: 137
차축 길이: 195
닝보 인저우 HENTACH Electromechanical Co., Ltd.
저희에게 연락주세요
  • 제출 및 보내기
닝보 인저우 HENTACH Electromechanical Co., Ltd.
우리를 차별화시키는 요소
  • 7단 로터리 플라이휠, 135mm 기어 개방, 더 높은 적응성 및 최대 750w의 정격 출력을 갖춘 강력한 후방 구동 허브 모터입니다.

  • 특허 받은 플라스틱 강철 기어: 나일론 기어 토크의 5배; 수명이 40,000km 이상; 낮은 판매 후

  • eMTB/Cargo용으로 특별히 설계된 최대 85NM의 실속 토크.

우리는 누구인가 이상 20년 생산 경험의.

닝보 인저우 HENTACH Electromechanical Co., Ltd. (이전 Hengtai Motor) 1995년에 설립되었으며 이전에는 "Hengtai Motor"(당사 중국 이름)로 알려졌던 당사는 2020년에 공식적으로 영어 이름 "HENTACH Motor"를 채택했습니다. 두 이름 모두 30년 이상 전기 기계 혁신에 전념해 온 신뢰할 수 있는 동일한 제조업체를 나타냅니다. 소형 DC 모터, 전기/오토바이 허브 모터, 전기 자동차용 알루미늄-마그네슘 합금의 주조 및 정밀 가공을 전문으로 하는 당사는 엄격한 ISO 9001 품질 관리 시스템, 성숙한 관리 관행, 최첨단 제조/테스트 장비를 결합하여 신뢰할 수 있는 솔루션을 제공합니다.

With end-to-end capabilities spanning from raw material casting to final product delivery, we serve diverse markets including e-bikes, cargo vehicles, AGVs, golf cars, agricultural machinery, and e-karting. Our 9,000+㎡ campus (5,000㎡ built area) houses over 60 units of advanced production equipment, including 500-ton die-casting machines, precision CNC machine tools, laser marking systems, micro-arc oxidation lines, and two dedicated electric vehicle motor test benches. This infrastructure ensures efficient production and strict compliance with international quality standards.

HENTACH(Hengtai)에서는 고품질 소재와 독점 기술을 우선시합니다. 특허받은 나일론 강철 기어는 엔지니어링 우수성을 입증합니다. 내구성을 검증하기 위해 우리는 30,000마일을 초과하는 모터에 대한 마일리지 보증 프로그램을 시작한 적이 있습니다. 결과는? 50개가 넘는 모터가 이 기준을 충족했을 뿐만 아니라 이를 능가했으며 일부 모터는 인상적인 50,000마일에 도달했습니다. 이러한 실제 성능은 신뢰성에 대한 당사의 확고한 초점을 반영하며 당사가 더욱 스마트하고 강력한 모터 솔루션을 위해 지속적으로 혁신하도록 동기를 부여합니다.​
특허받은 강철 기어 혁신과 검증된 내구성이 결합된 Hengtai Motor와 HENTACH Motor로 전 세계적으로 알려진 브랜드를 신뢰하십시오.

인증자 인증